Download

Datasheet

blue_glossy_button

Eingänge:

Ausgänge:

 

ECM-0565-128-0701-F Motorsteuergerät, Flash

Eigenschaften des 0565-128-0701 F:

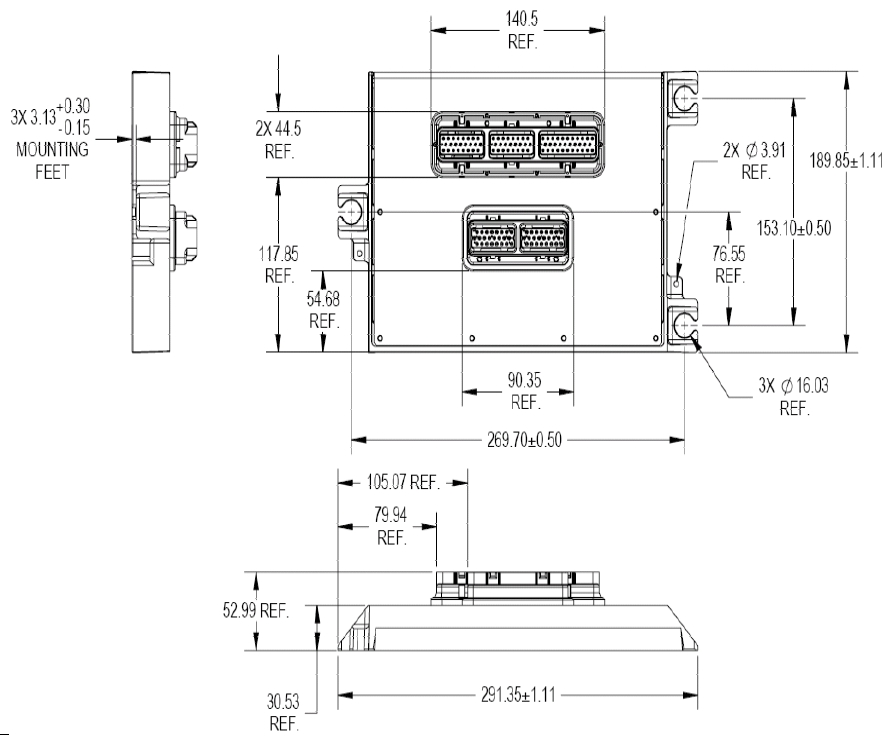
GehäuseECM128
128_pin_ecu

Kommunikation:

 

3E Banner 6

ECM 128pin